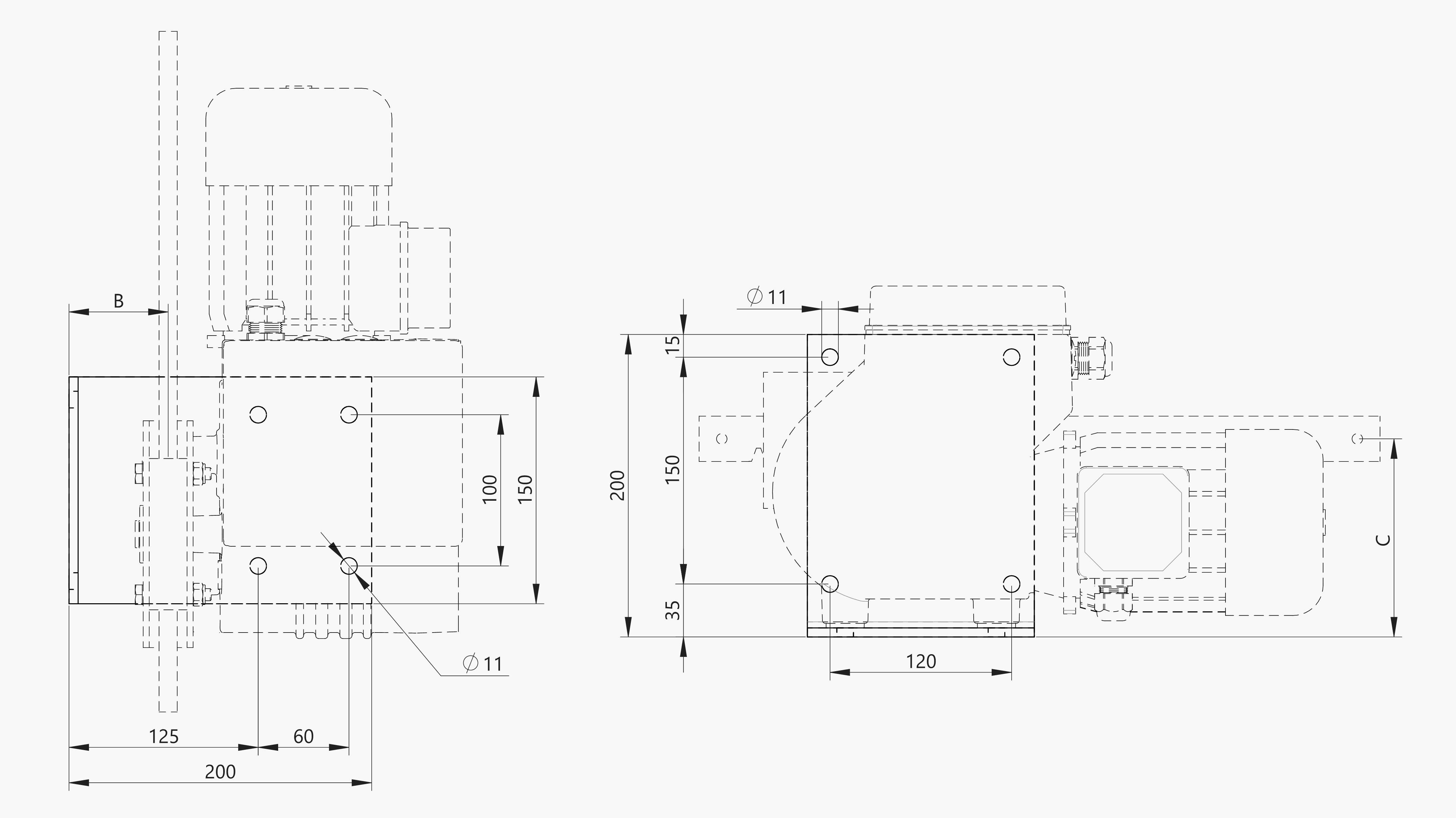
| Artikel | Omschrijving | B [mm] | C [mm] | m [kg] |
| P.MP.GW.H.A125.M | Muur montageplaat GW-TGA haaks | 65 | 131 | 2,7 |
Westlandseweg 9
2291 PG Wateringen
Nederland
+31 174 29 20 89
sales@degierdrivesystems.com
Wij komen graag in contact met u! Na het invullen van dit formulier kunt u alle documenten op onze website downloaden. De download start direct na het invullen van het formulier.